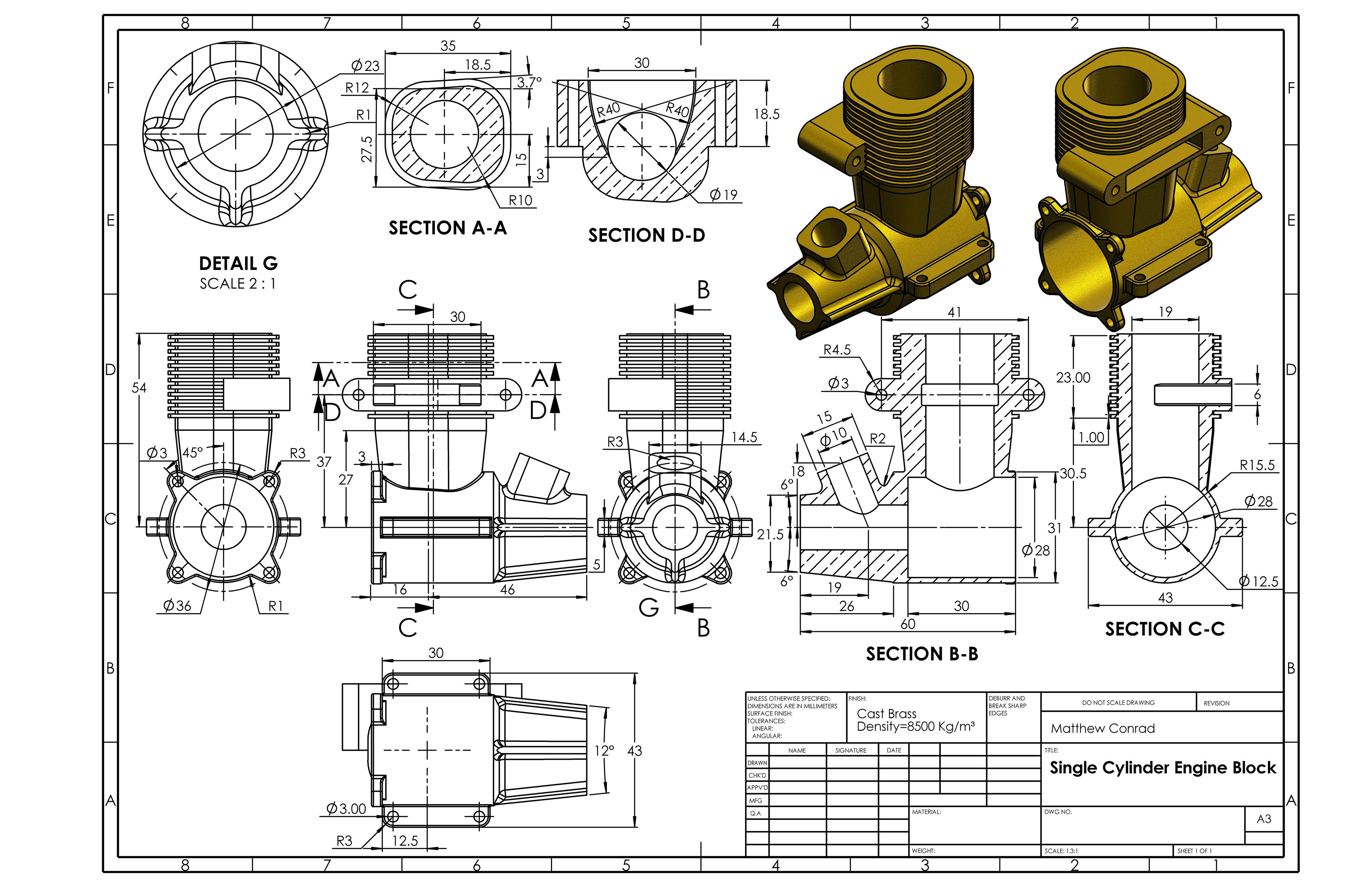
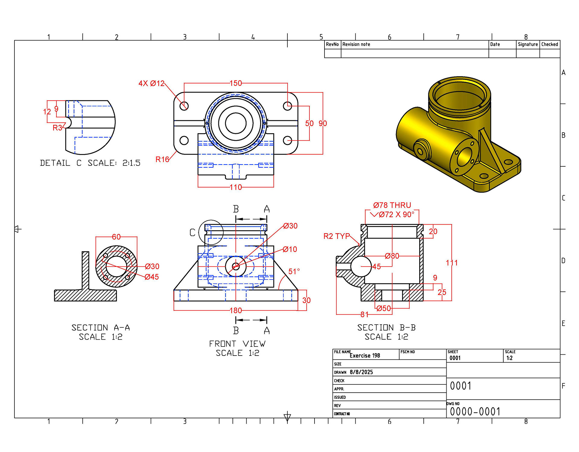
The following engineering drawings were selected for their complexity. These drawings were created using the following software programs: AutoCAD, SolidWorks, and Solid Edge.
Solid Edge
SolidWorks
AutoCAD