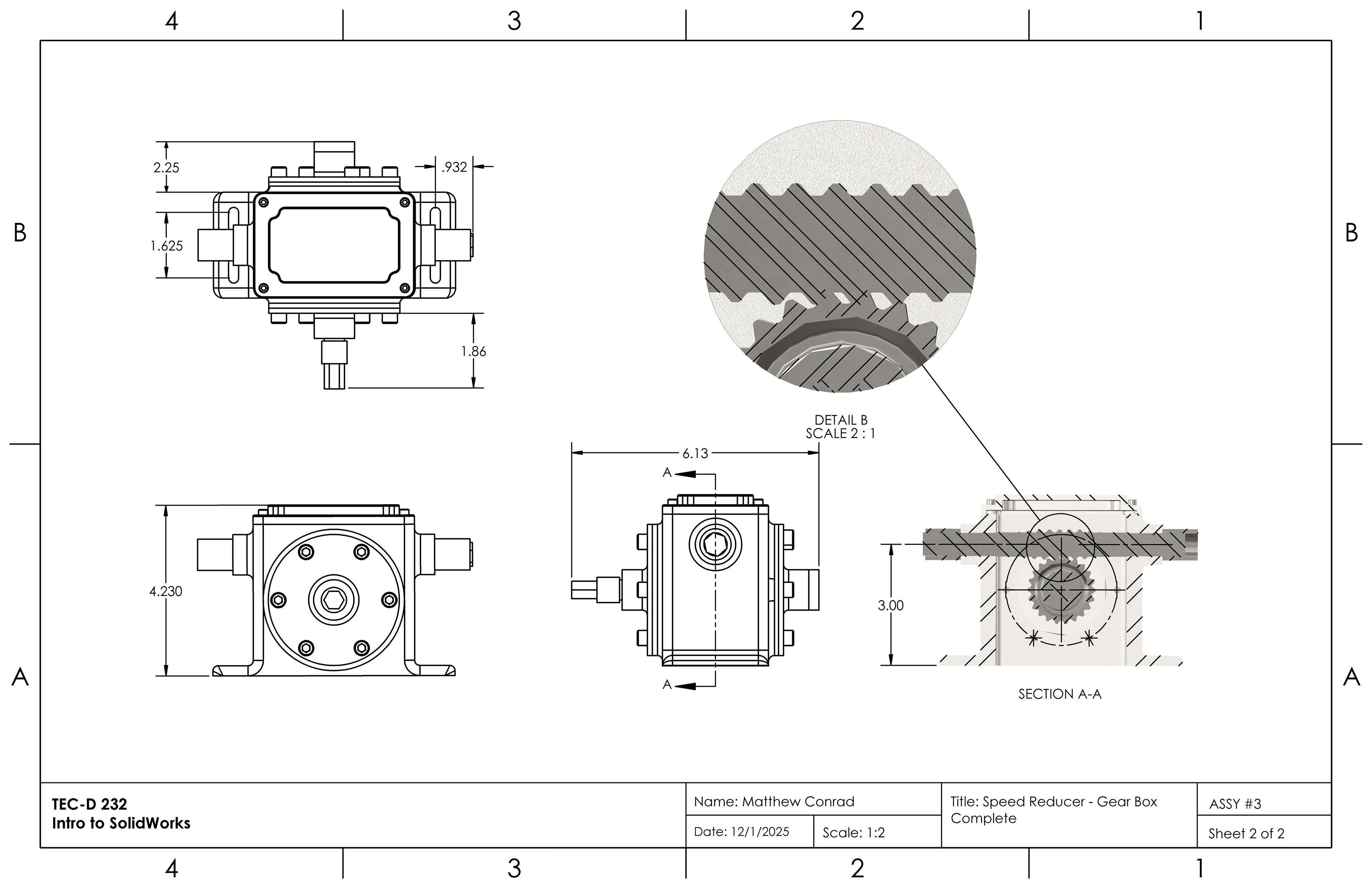
In this final project in the Introduction to SolidWorks course at Olympic College in Bremerton, WA, we had to create a gear reducer box comprised of ten different parts. Gear reducers, or speed reducers, are mechanical devices that decelerate power transmission from a motor to machinery.
Gear Reducer - Collapsed View
Gear Reducer - Exploded View
Gear Reducer - Animation
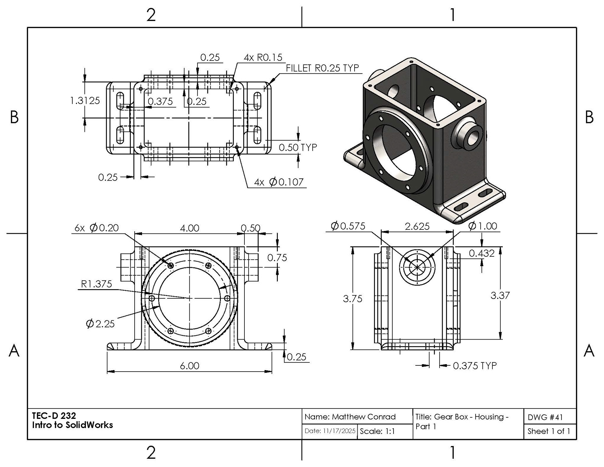
Gear Reducer Housing
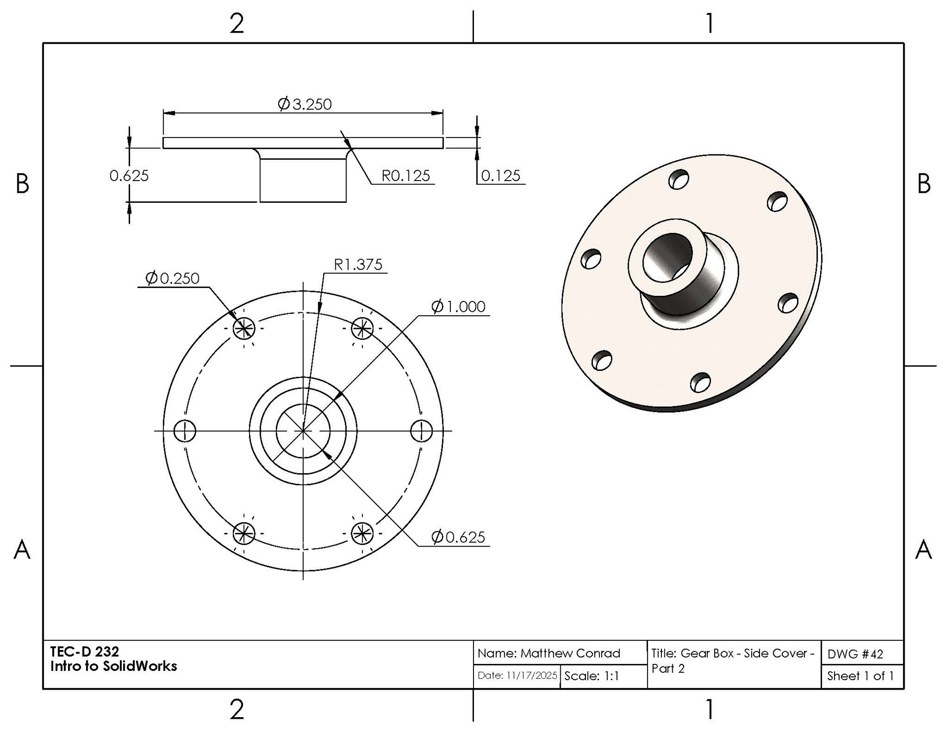
Side Cover
Top Cover
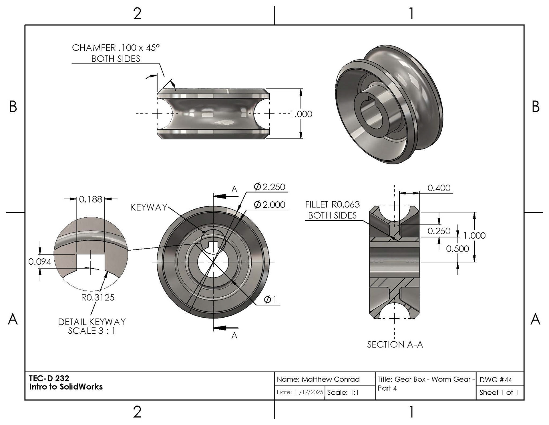
Worm Gear
Worm Gear Shaft
Offset Shaft
Bushing
Completed Assembly Drawings (Exploded and Collapsed Views)
Back to Top